
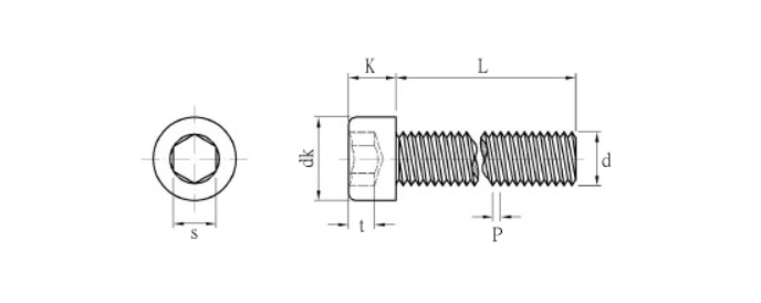
在精密緊固件領域,不滾花杯頭內六角組合螺釘以 “杯頭(圓柱頭)無滾花” 的獨特外觀、內六角的便捷操作及 “螺釘 + 彈墊 + 平墊” 的一體化結構,成為電子設備、精密儀器、汽車零部件等領域的常用緊固方案。它的核心特性之一在于靈活的材質選擇,主要分為鐵質與不銹鋼兩大類,其中鐵質款憑借可通過熱處理提升強度的優勢,在對緊固力有較高要求的場景中應用廣泛,其線材選型、加工工藝更是直接決定了產品性能與使用壽命。
從材質分類來看,不滾花杯頭內六角組合螺釘的兩種材質各有適配場景。不銹鋼材質款延續了不銹鋼緊固件耐候、抗腐蝕的優勢,適用于潮濕、酸堿等惡劣環境,如衛浴設備、戶外精密儀器的內部連接,無需額外電鍍即可抵御銹蝕,且安裝后外觀簡潔,無滾花的杯頭能與設備表面更貼合,提升整體精致度。而鐵質款則以 “可定制強度” 為核心亮點,通過選擇不同型號的鐵螺釘線材并搭配后續熱處理工藝,可滿足從普通載荷到高強度載荷的多樣需求,例如在汽車發動機周邊部件、機床夾具的固定中,高強度鐵質組合螺釘能提供穩定的緊固力,且成本相較于不銹鋼款更具優勢,成為批量生產場景的性價比之選。
對于鐵質不滾花杯頭內六角組合螺釘而言,線材的選擇是性能的 “基石”,行業內常用的鐵螺釘線材型號包括 1010、1018、10B21 等,不同型號的化學成分與力學性能差異,決定了它們適配的產品等級與應用場景。1010 線材屬于低碳鋼,碳含量較低,材質柔軟、韌性好,加工難度小,適合制作低強度要求的普通級組合螺釘,如電子設備內部的塑料支架固定,無需承受過大載荷,1010 線材的延展性可避免螺釘在安裝時因用力不當而斷裂。1018 線材為中碳鋼,碳含量略高于 1010,強度與硬度適中,經過簡單加工后,可滿足日常機械部件的緊固需求,如小型電機的端蓋固定,既能提供足夠的連接力,又不會因材質過硬導致被連接件受損。
而 10B21 線材則是制作8.8 級高強度不滾花杯頭內六角組合螺釘的核心原料。作為含硼低碳鋼,10B21 線材在添加硼元素后,淬透性大幅提升,經過熱處理后能形成均勻的馬氏體組織,使螺釘的抗拉強度、屈服強度顯著提高,完全符合 8.8 級緊固件的力學標準。在汽車底盤支架、重型機械設備的關鍵連接部位,8.8 級鐵質組合螺釘需要承受較大的振動與載荷,10B21 線材的高強度特性可確保長時間使用后不會出現螺釘變形、滑牙等問題,成為高強度場景的 “標配” 線材。
鐵質不滾花杯頭內六角組合螺釘的加工工藝,尤其是后續處理環節,更是保障產品質量的關鍵,其中 “熱處理” 與 “除氫電鍍” 兩大步驟,直接關系到螺釘性能與彈墊的使用壽命。在完成杯頭塑形、內六角開槽、彈墊與平墊組裝后,鐵質螺釘需進入熱處理流程:將螺釘加熱至特定溫度(通常為 850-900℃),保溫一段時間后快速冷卻(淬火),再進行低溫回火,通過這一過程,螺釘的硬度與強度得到提升,10B21 線材制作的螺釘經熱處理后,硬度可達到 HRC22-30,抗拉強度超過 800MPa,滿足 8.8 級標準。
而 “除氫電鍍” 則是防止彈墊斷裂的關鍵工序。鐵質組合螺釘在電鍍過程中,電解液中的氫離子可能滲入彈墊內部,形成 “氫脆” 現象 —— 彈墊在承受外力或振動時,內部氫原子聚集導致脆性增加,極易出現斷裂。因此,在熱處理完成后,需將螺釘放入專用除氫爐中,在 190-230℃的溫度下保溫 2-4 小時,促使彈墊內部的氫原子逸出,降低氫脆風險。隨后再進行鍍鋅、鍍鎳等電鍍處理,既提升螺釘的抗腐蝕能力,又確保彈墊在長期使用中保持彈性,避免因斷裂導致緊固失效。
在實際應用中,經過精細加工的鐵質不滾花杯頭內六角組合螺釘,憑借穩定的性能覆蓋多類場景。在汽車行業,8.8 級 10B21 材質的組合螺釘用于變速箱殼體與閥體的連接,熱處理后的高強度可抵御變速箱運轉時的沖擊與振動;在電子設備領域,1010 材質的普通級組合螺釘用于打印機、掃描儀的內部塑料件固定,無滾花的杯頭不會劃傷塑料表面,且加工成本低,適合批量采購。
從材質選型到工藝細節,不滾花杯頭內六角組合螺釘的每一步都圍繞 “適配需求” 展開。鐵質款通過精準的線材選擇與精細的熱處理、除氫工藝,平衡了強度與安全性;不銹鋼款則以耐候性取勝,二者共同構成了這一緊固件的多元應用體系,為不同領域的精密緊固需求提供可靠支撐。